Skapa funktioner med hjälp av kontrollkoder i mätkoder
Det här ämnet beskriver hur man skapar funktioner med hjälp av kontrollkoder i formuläret Mätkoder. Du kan även skapa funktioner med hjälp av kontrollkoder i formuläret Mätpunkter och Detaljmätning.
När du skapar funktioner medan du mäter observationer:
- Välj alltid funktionskoden först, och därefter kontrollkoden.
- Om så krävs, kan du välja fler än en kontrollkod för en observation. Välj bara de kontrollkoder som krävs i verktygsfältet.
- Om funktionen använder flera linjefunktionskoder, eller när funktioner sätts ihop, trycker du på knappen Multikod i Mätkod
och väljer linjefunktionskoderna först och sedan väljer du kontrollkoderna från CAD-verktygsfältet. Knapparna för de aktiva kontrollkoderna markeras inte med gult vid användning av knappen Multikod.
NOTERA –
- För att skapa funktioner när du mäter punkter är arbetsflödet lite annorlunda än vid användning av formulären Mätpunkter eller Detaljmätning istället för formuläret Mätkoder. I formuläret Mätkoder kommer du att först välja åtgärden för kontrollkoden från CAD-verktygsfältet och väljer sedan funktionskoden eftersom val av funktionskoden normalt utlöser mätningen. I formulären Mät punkter och Mät detaljpunkt, väljer du först funktionskoden för linjen i fältet Kod och använder sedan CAD-verktygsfältet för att lägga till kontrollkoden i fältet Kod.
-
Eftersom kontrollkoderna normalt bara används en gång i början eller slutet av ett objekt, tas koderna automatiskt bort från fältet Kod när punkten är uppmätt, vid användning av formulären Mät punkter eller Detaljmätning. Funktionskoderna i fältet Kod tillämpas endast för nästa punkt i funktionen.
- Tryck på Starta sammankopplingssekvens
. Koden för Starta sammankopplingssekvens läggs till i fältet Kod.
-
Välj funktionskoden för funktionen i formuläret Mätning. Funktionskoden måste definieras som en linjefunktion i funktionskodsbiblioteket. Linjefunktionens kod läggs till i fältet Kod.
- Mät och lagra punkten.
- Fortsätt att mäta punkter för att forma en linje, och tilldela respektive punkt samma funktionskod som du använde för startpunkten. När du mäter och lagrar respektive punkt visas respektive linjesegment på kartan.
-
När du når linjens sista punkt, Tryck på Avsluta sammankopplingssekvens, när du når linjens sista punkt
. Koden för Avsluta sammankopplingssekvens läggs till i fältet Kod.
Tryck på Avsluta sammankopplingssekvens
för att se till att nästa punkt som har samma linjefunktionskod inte kopplas samman med den här linjen. Men, om du alltid använder Starta sammankopplingssekvens när du startar en linjesekvens, är det frivilligt att avsluta funktionen med Avsluta sammankopplingssekvens.
- Mät och lagra punkten. Den senast lagrade punkten avslutar linjen.
-
Tryck på Starta sammankopplingssekvens
. Koden för Starta sammankopplingssekvens läggs till i fältet Kod.
NOTERA – En tangentiell båge måste sammanbindas till minst en punkt så att informationen om tangenten kan beräknas.
- Välj funktionskoden för funktionen i formuläret Mätning. Funktionskoden måste definieras som en linjefunktion i funktionskodsbiblioteket. Linjefunktionens kod läggs till i fältet Kod.
- Mät minst en punkt från vilken bågen kommer att ritas tangentiellt.
-
Tryck på Starta tangentiell båge
för att börja skapa bågen. Koden för Starta tangentiell båge läggs till i fältet Kod efter funktionskoden.
Azimut mellan den här punkten och föregående punkt definierar den inmatade tangentens riktning.
- Mät och lagra punkten.
-
Tryck på Avsluta tangentiell båge
. Koden för Avsluta tangentiell båge läggs till i fältet Kod.
- Mät och lagra punkten. Den senast lagrade punkten avslutar bågen.
- Fortsätt mäta och lagra punkter för linjefunktionen om så krävs.
NOTERA – Om en båge inte går att beräkna ritas ett segment som en streckad röd linje för att indikera att något är fel. Detta kan inträffa vid följande situationer:
- En båge definieras av två punkter och ingen tangentiell information är definierad för bågens startpunkt.
- En tvåpunktsbåge är definierad som tangentiell både i början och slutet med dessa tangenter är inkorrekta.
- För att inkludera bågen som en del av en linje, Tryck på Starta sammankopplingssekvens
. Koden för Starta sammankopplingssekvens läggs till i fältet Kod.
- Välj funktionskoden för funktionen i formuläret Mätning. Funktionskoden måste definieras som en linjefunktion i funktionskodsbiblioteket. Linjefunktionens kod läggs till i fältet Kod.
- Tryck på Starta icke-tangentiell båge
. Koden för Starta icke-tangentiell båge läggs till i fältet Kod.
- Mät och lagra punkten.
- Fortsätt att mäta punkter för att forma bågen, och tilldela respektive punkt samma linjefunktionskod som du använde för startpunkten. När du mäter och lagrar respektive punkt visas respektive bågsegment på kartan.
-
Tryck på Avsluta icke-tangentiell båge
, när du når bågens sista punkt. Koden för Avsluta icke-tangentiell båge läggs till i fältet Kod.
- Mät och lagra punkten. Den senast lagrade punkten avslutar bågen.
TIPS – För att mäta övergångspunkten mellan två rygg-mot-rygg bågar trycker du både på Avsluta båge och Starta båge innan du mäter den sista punkten i den första bågen.
NOTERA – Om en båge inte går att beräkna, som t.ex. när bara två punkter av en icke-tangentiell båge har uppmäts, ritas segmentet som en streckad röd linje för att indikera att något är fel.
Använd kontrollkoden Starta mjuk kurva för att skapa en mjuk kurva. Efterföljande punkter adderas till den mjuka kurvan tills du avslutar kurvan med kontrollkoden Avsluta mjuk kurva.
NOTERA – Om någon av punkterna som utgör kurvan har höjdvärde null kommer hela kurvan betraktas som 2D och ligga på markplanet.
- Tryck på Starta jämn kurva
. Koden för Starta mjuk kurva läggs till i fältet Kod.
- Välj funktionskoden för funktionen i formuläret Mätning. Funktionskoden måste definieras som en linjefunktion i funktionskodsbiblioteket. Linjefunktionens kod läggs till i fältet Kod.
- Mät och lagra punkten.
- Fortsätt att mäta punkter för att forma kurvan, och tilldela respektive punkt samma linjefunktionskod som du använde för startpunkten. När du mäter och lagrar respektive punkt visas respektive kurvsegment på kartan.
- Tryck på Avsluta mjuk kurva
, när du når bågens sista punkt. Koden för Avsluta mjuk kurva läggs till i fältet Kod.
- Mät och lagra punkten. Den senast lagrade punkten avslutar linjen.
För att mäta en rektangel kan du: 
- Mäta två punkter, där den första punkten (1) definierar rektangelns ena hörn, den andra punkten (2) definierar rektangelns nästa hörn, och en av punkterna inkluderar ett värde för rektangels bredd (3). Den första punkten använder kontrollkoden Starta rektangel och linjefunktionskoden och den andra punkten använder bara linjefunktionskoden. För den ena av punkterna anger du värdet för bredden efter linjefunktionskoden. Exempelvis, <Starta rektangel> <Linjefunktion> 8 för den första punkten och sedan <Linjefunktion> för den andra punkten.
- Mät tre punkter, där första punkten (4) definierar rektangelns ena hörn, den andra punkten (5) definierar rektangelns nästa hörn och den tredje punkten (6) används för att definiera rektangelns bredd. Den första punkten använder kontrollkoden Starta rektangel och linjefunktionskoden och den andra punkten använder bara linjefunktionskoden.
NOTERA – Rektanglar ritas utifrån höjden av alla punkter.
För att mäta en rektangel om du känner till bredden:
- Flytta dig till platsen för rektangelns första hörn.
- Tryck på
.
- Välj funktionskoden för funktionen i formuläret Mätning. Funktionskoden måste definieras som en linjefunktion i funktionskodsbiblioteket. Linjefunktionens kod läggs till i fältet Kod.
- Tryck på Starta rektangel
. Koden för Starta rektangel läggs till i fältet Kod.
- Ange bredden för rektangeln i fältet Multikod. Ange ett positivt värde för att skapa rektangeln till höger om linjens riktning, och ett negativt värde för att skapa en rektangel till vänster.
- Mät och lagra punkten.
-
Flytta dig till rektangelns andra hörn längs rektangeln. Den här punkten använder samma linjefunktionskod som du valde för den första punkten.
- Mät och lagra punkten. Denna sist lagrade punkt avslutar rektangeln, och rektangeln visas på kartan.
För att mäta en rektangel om du inte känner till bredden:
- Flytta dig till platsen för rektangelns första hörn.
- Tryck på Starta rektangel
. Koden för Starta rektangel läggs till i fältet Kod.
- Välj funktionskoden för funktionen i formuläret Mätning. Funktionskoden måste definieras som en linjefunktion i funktionskodsbiblioteket. Linjefunktionens kod läggs till i fältet Kod.
- Mät och lagra punkten.
-
Flytta dig till rektangelns andra hörn längs rektangeln. Den här punkten använder samma linjefunktionskod som du valde för den första punkten.
-
Mät och lagra punkten.
- För att mäta ytterligare en punkt för att definiera rektangelns bredd, flyttar du till en plats på den motsatta sidan av rektangeln. Den här punkten använder samma linjefunktionskod som du valde för den första punkten.
- Mät och lagra punkten. Denna sist lagrade punkt avslutar rektangeln, och rektangeln visas på kartan.
För att mäta cirkeln, mäter du tre punkter som ligger längs cirkelns kant. Den första punkten använder linjefunktionskoden och kontrollkoden Starta cirkel (kant), och den andra och tredje punkten använder enbart linjefunktionskoden.
NOTERA – Cirklar ritas horisontellt vid höjden av den första punkten.
- Tryck på Starta cirkel (kant) vid den första punkten i cirkeln
. Koden för Starta cirkel (kant) läggs till i fältet Kod.
- Välj funktionskoden för funktionen i formuläret Mätning. Funktionskoden måste definieras som en linjefunktion i funktionskodsbiblioteket. Linjefunktionens kod läggs till i fältet Kod.
- Mät och lagra punkten.
- Flytta till den andra punkten i cirkelns kant. Den här punkten använder samma linjefunktionskod som du valde för den första punkten.
- Mät och lagra punkten.
- Flytta till den tredje punkten i cirkelns kant. Den här punkten använder samma linjefunktionskod som du valde för den första punkten.
- Mät och lagra punkten. Denna sist lagrade punkt avslutar cirkeln, och cirkeln visas på kartan.
För att mäta en cirkel med hjälp av cirkelns mitt, kan du: 
- Mäta en enda punkt (1) vid cirkelns mittpunkt där punkten använder kontrollkoden Starta cirkel (mittpunkt) och linjefunktionskoden, följt av värdet för radien (2). Exempelvis, <Starta cirkel (mittpunkt)> <Linjefunktion> 8.
- Mäta en punkt (3) vid cirkelns mittpunkt och sedan mäta en andra punkt (4) som ligger på cirkelns kant och används för att definiera cirkelns radie. Den första punkten använder kontrollkoden Starta cirkel (mittpunkt) och linjefunktionskoden och den andra punkten använder bara linjefunktionskoden. Exempelvis, <Linjefunktion> <Starta cirkel (mittpunkt)> för den första punkten och sedan <Linjefunktion> för den andra punkten.
NOTERA – Cirklar ritas horisontellt vid höjden av den första punkten.
För att mäta en cirkel om du känner till radien:
- Tryck på
.
- Välj funktionskoden för funktionen i formuläret Mätning. Funktionskoden måste definieras som en linjefunktion i funktionskodsbiblioteket. Linjefunktionens kod läggs till i fältet Kod.
- Tryck på Starta cirkel (mittpunkt) i cirkelns mittpunkt
. Koden för Starta cirkel (mittpunkt) läggs till i fältet Kod.
-
Ange värdet för radien i fältet Multikod.
-
Mät och lagra punkten.
Cirkeln ritas på kartan.
För att mäta en cirkel om du inte känner till radien:
- Tryck på Starta cirkel (mittpunkt) i cirkelns mittpunkt
. Koden för Starta cirkel (mittpunkt) läggs till i fältet Kod.
- Välj funktionskoden för funktionen i formuläret Mätning. Funktionskoden måste definieras som en linjefunktion i funktionskodsbiblioteket. Linjefunktionens kod läggs till i fältet Kod.
-
Mät och lagra punkten.
- För att mäta en punkt för att definiera radien, flyttar du till en plats på cirkelns kant. Den här punkten använder samma linjefunktionskod som du valde för den första punkten.
- Mät och lagra punkten. Denna sista punkt avslutar cirkeln, och cirkeln visas på kartan.
Du kan lägga till horisontella och/eller vertikala förskjutningsvärden till förskjutna linjer och bågar.
NOTERA – Du kan inte förskjuta linjekartor som skapats med kontrollkoder för mjuk kurva.
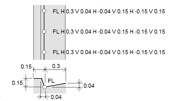
Vid mätning av exempelvis en trottoarkant och rännsten kan du mäta punkter i rännstenens flödeslinje (inverterad) med hjälp av linjekoden och sedan ställa in de horisontella och vertikala kontrollkoderna för trottoarkanten och rännstenen. Exempelvis, <Linjekod> <Horisontell offset> 0,3 <Vertikal offset> 0,04.
Referera till följande verkliga exempel med en trottoar och en vattenränna där FL är linjekoden för flödeslinjen, H är styrkoden för den horisontella offseten och V är styrkoden för den vertikala offseten:
För att tillämpa offsetvärden för nästa punkt som ska mätas:
- Tryck på Offset
.
- I fältet Antal, väljer du antalet förskjutningar som ska definieras.
-
Ange värden för Horisontell offset och Vertikal offset.
Ett positivt värde för Horisontell offset förskjuter åt höger om linjens riktning, och ett negativt värde förskjuter åt vänster.
Ett positivt värde för Vertikal offset förskjuter ovanför linjen, och ett negativt värde förskjuter nedanför linjen.
-
Tryck på Godkänn.
Förskjutningsinformationen visa i fältet Kod för att markera att offsetvärdena kommer att tillämpas vid nästa mätning.
NOTERA – Vid användning av offsets, rekommenderar Spectra Geospatial användning av kontrollkoderna Starta sammankopplingssekvens
och Avsluta sammankopplingssekvens
för att starta och avsluta linjen. Kontrollkoden för Avsluta sammankopplingssekvens
slår automatiskt av knappen för offset och tar bort texten offset.
- Tryck på Koppla samman med en namngiven punkt
och ange namnet på punkten eller välj punkten på kartan och tryck på Godkänn, för att koppla samman den aktuella punkten med en vald punkt.
- För att koppla samman en punkt med den första punkten i sekvensen som har samma linjefunktionskod, trycker du på Koppla samman till första (samma kod)
.
- Tryck på Ingen sammanfogning
och mät och lagra punkten, för att mäta en punkt men inte sammanfoga den med den senast uppmätta punkten.
- För att kontrollera vad namnet på nästa punkt blir, trycker du på
. Texten efter menyobjektet Nästa punktnamn talar om nästa punktnamn.
- För att ställa in namnet för nästa punkt, trycker du på
och väljer Nästa punktnamn.
- Ange punktnamnet och en kod för nästa punkt.
- Tryck på Godkänn.